•產品描述:U21276是一款高壓、高速功率MOSFET和IGBT驅動器。專有的HVIC和閂鎖免疫CMOS技術可實現堅固的單片結構。邏輯輸入與標準CMOS或LSTTL輸出兼容,低至3.3V。保護電路檢測驅動功率晶體管中的過流并終止柵極驅動電壓。漏泄故障信號表示發生過流停機。輸出驅動器具有高脈沖電流緩沖級,設計用于最小的交叉導通。浮動通道可用于驅動高側或低側配置的n通道功率MOSFET或IGBT,其工作電壓高達600伏。
•主要特點:浮動通道設計為自啟動操作,可完全運行到+600V,可耐受負瞬態電壓dV/dt免疫;特定應用的柵極驅動范圍:9至20V;欠壓鎖定;3.3V, 5V和15V輸入邏輯兼容;FAULT引線指示關機
•典型應用:家用電器、工業應用及驅動、電機驅動、機器人應用及驅動、感應加熱、汽車電子電源驅動
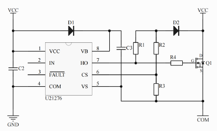
•典型應用電路:

Copyright ? 2015-2023 紹興宇力半導體有限公司
浙公網安備33060202001577
浙ICP備2020037221號-1
技術支持:藍韻網絡