描述
AP3003采用先進的溝槽技術,提供優(yōu)異的Rosionj,低柵極電荷。該器件適用于電池保護或其他開關應用。
一般特征
●N-Channel●Vos=30V,Io=4.2ARos(on)<24mQ@Vcs=10VRos(on)<28mQ@Vcs=4.5V●P-ChannelVos=-30V,Io=-3.7ARos(on)< 65 m0@Vos=-10VRos(on)<85 m0@Vgs=-4.5V●低導通電阻●低輸入電容●快速開關速度●低輸入/輸出泄漏●無鹵素
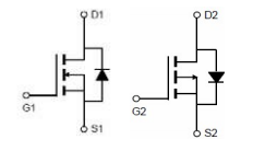
原理圖

Copyright ? 2015-2023 紹興宇力半導體有限公司
浙公網(wǎng)安備33060202001577
浙ICP備2020037221號-1
技術支持:藍韻網(wǎng)絡